das HP nicht immer die leisesten Geräte produziert, ist denke ich mal bekannt.
So auch der "procurve switch 2848".
Nach einer Weile kommt es einem vor, als wenn im Raum ein Föhn läuft
Das habe ich zum Anlass genommen dieses Teil umzubauen.
Die 5 lautstarken Minilüfter habe gegen einen
120er Lüfter ausgetauscht. Je nach dem ob oben oder
unten nach den Schwitch Einbau Platz ist, ist dieser zu Positionieren.
Bei mir habe ich Ihn unten angebracht. Doch so einfach ist es doch nicht.
Das Gerät wertet von jedem Lüfter das Tachosignal aus. Es wir durch das Blinken der Fault LED
angezeigt, wenn es fehlt. Wem es nicht stört, braucht es nicht zu beachten.
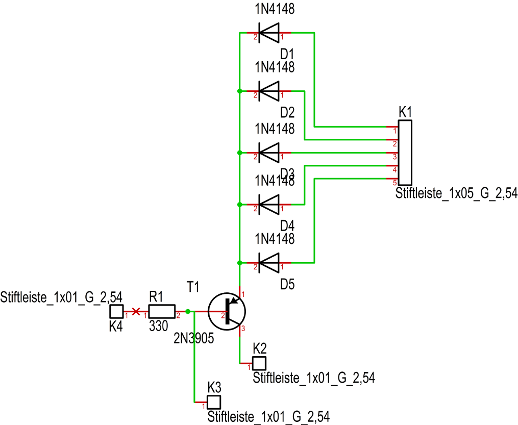
Ich habe es mit einen einfachen PNP Transistor, einem Widerstand und 5 kleinen Dioden gelöst.
Teileliste:
- 1* 120er Lüfter 12V 0,30A mit Tachosignal (3Polig)
- 1* Transistor SF818
- 5* Dioden (Typ müsste egal sein)
- 1* Widerstand 330 Ohm
